This standard follows the stipulations of the International Criterion ISO239-1974 《Drill Chuck Tape》。
This standard stipulates the Morse & Jacquard taper models and parameters used in the drill drill chuck。
This standard is fit for drill chuck,the machine main axis terminal which matches a complete set of use for drill chuck and taper used in the drill chuck link rod。

|
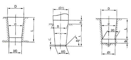
Conical specifications |
D |
D 1 |
d |
d 1 |
L |
a max |
b |
c |
Cone angle a
|
Taper |
| MorseShort
|
B10 |
10.094 |
10.3 |
9.4 |
9.8 |
14.5 |
3.5 |
3.5 |
1.0 |
2°51′26.7″ |
1:20.047=0.04988 |
|
B12 |
12.065 |
12.2 |
11.1 |
11.5 |
18.5 |
Morse taper NO.1 |
|
B16 |
15.733 |
16.0 |
14.5 |
15.0 |
24.0 |
5.0 |
4.0 |
1.5 |
2°51′41.0″ |
1:20.020=0.04995 |
|
B18 |
17.780 |
18.0 |
16.2 |
16.8 |
32.0 |
Morse taper NO.2 |
|
B22 |
21.793 |
22.0 |
19.8 |
20.5 |
40.5 |
5.0 |
4.5 |
2.0 |
2°52′31.5″ |
1:19.922=0.05020 |
|
B24 |
23.825 |
24.1 |
21.3 |
22.0 |
50.5 |
|
| onical specifications |
D |
D 1 |
d |
d 1 |
L |
a max |
b |
c |
Cone angle a |
Taper |
| MorseShort |
J0 |
6.350 |
|
5.802 |
|
11.112 |
|
|
|
2°49′24.7″ |
1:20.288=0.049 29 |
|
J1 |
9.754 |
|
8.469 |
|
16.669 |
|
|
|
4°24′53.1″ |
1:12.972=0.077 09 |
|
J2(短) |
13.940 |
|
12.386 |
|
19.050 |
|
|
|
4°40′11.6″ |
1:12.262=0.081 55 |
|
J2 |
14.199 |
|
12.386 |
|
22.225 |
|
|
|
4°40′11.6″ |
1:12.262=0.081 55 |
|
J33 |
15.850 |
|
14.237 |
|
25.400 |
|
|
|
3°38′13.4″ |
1:15.748=0.063 50 |
|
J6 |
17.170 |
|
15.852 |
|
25.400 |
|
|
|
2°58′24.8″ |
1:19.264=0.051 91 |
|
J3 |
20.599 |
|
18.951 |
|
30.956 |
|
|
|
3°3′1.0″ |
1:18.779=0.053 25 |
|
(J4) |
28.550 |
|
26.346 |
|
42.069 |
|
|
|
3°0′5.8″ |
1:19.084=0.052 40 |
|
(J5) |
35.890 |
|
33.422 |
|
47.625 |
|
|
|
2°58′8.3″ |
1:19.305=0.051 83 |
Notes:Better not choose the parameters in the brackets of the table。